产品概述
NS4298是一款三选一输入,带DC音量控制功能,超低EMI、无需滤波器、3W双声道AB/D类音频功放IC。另外,当耳机插头接入插孔时,音频功率放大器便以单端工作模式驱动立体声耳机。NS4298有三组输入通道,通过控制脚灵活选择其中一组。NS4298带DC音量控制功能,NS4298音量衰减范围可从24dB的(DC_Vol = 0V时)到- 80dB(DC_Vol = 3.54V),共有32级调节。NS4298 采用先进的技术,在全带宽范围内极大地降低了 EMI 干扰,最大限度地减少对其他部件的影响。为简化音频系统的设计,NS4298的桥式联接扬声器放大模式及单端立体耳机放大模式都在同一芯片上实现。NS4298 无需滤波器的 PWM 调制结构及反馈电阻内置方式减少了外部元件、PCB面积和系统成本。NS4298内置过流保护、过热保护及欠压保护功能,有效地保护芯片在异常工作状况下不被损坏。并且利用扩频技术充分优化全新电路设计,高达90%的效率更加适合于便携式音频产品。NS4298提供 TSSOP20封装,额定的工作温度范围为-40℃至85℃。
应用说明
.JPG)
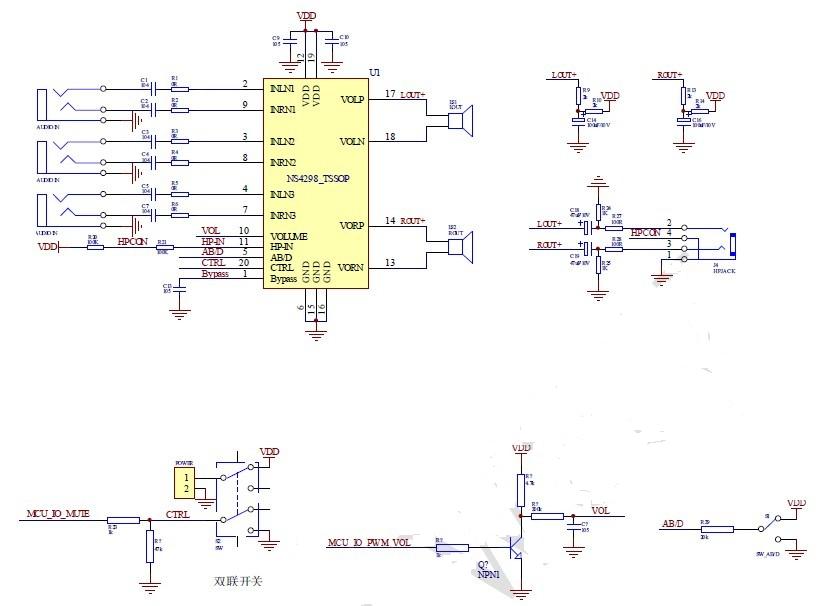
NS4298典型应用电路
开机以及初始化通道选择时序要求:
电源开关打开,功放电源管脚接通电源以后至少保持CTRL管脚(pin20(TSSOP20封装))低电平1s以上。才能打开功放,对其进行通道选择。所以: ①.功放CTRL管脚必须接下拉电阻。这样在电源开关打开以后,即使主控MCU还没受控,CTRL管脚也保持低电平。②MCU运行起来以后,首先就让CTRL管脚低电平。1u以上时间以后,再对功放进行初始化通道选择。示意图如下:
.JPG)
通道切换时序要求:
机器工作过程中,通道切换时,先拉低CTRL管脚100us以上让芯片进入关断(SHUTDOWN)状态然后重新设置。示意图如下:

脉宽要求:
加在CTRL管脚的一线脉冲高电平宽度(THI)要求1us<THI<60us。低电平宽度(TLO)要求1us<TLO<60us。进入SHUTDOWN模式低电平保持时间(TOFF)要求 TOFF>100us。如下图:

关机:
由于CTRL管脚接到电源双联开关的一联上,关机时迅速把CTRL管脚拉到地。在电源滤波电容的维持下,功放首先进入SHUTDOWN关断状态,直到电源滤波电容放完电。
我司现在力推集成三选一输入,带DC音量控制功能,超低EMI、无需滤波器、3W双声道AB/D类音频功放IC-NS4298 ,详细的产品资料请查阅:http://www.szczkjgs.com/products_3624.htm |