设为主页  加入收藏
 
·I2S数字功放IC/内置DSP音频算法功放芯片  ·马达驱动IC  ·2.1声道单芯片D类功放IC  ·内置DC/DC升压模块的D类功放IC  ·锂电充电管理IC/快充IC  ·无线遥控方案  ·直流无刷电机驱动芯片
当前位置:首页->行业资讯
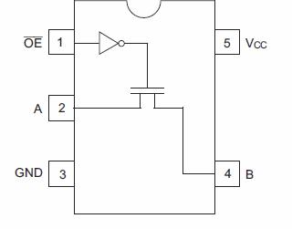
HD74CBT1G125 单独的高速路线开关
文章来源: 更新时间:2013/4/8 13:53:00
在线咨询:
给我发消息
李湘宁 2850985550
给我发消息
姚红霞 3002514837
给我发消息
鄢先辉 2850985542
13713728695
 

The HD74CBT1G125 features a single high-speed line switch. The switch is disabled when the output enable (OE) input is high.

Features

Minimal propagation delay through the switch. 5 Ω switch connection between two ports. TTL-compatible input levels. Ultra low quiescent power. Ideally suited for notebook applications.  

 
 
 
    相关产品  
 
 
·蓝牙音箱的音频功放/升压/充电管
·单节锂电内置升压音频功放IC选型
·HT7179 12V升24V内置
·5V USB输入、三节锂电升压型
·网络主播声卡专用耳机放大IC-H
 
M12269 HT366 ACM8629 HT338 

业务洽谈:手机:13713728695(微信同号)   QQ:3003207580  EMAIL:panbo@szczkjgs.com   联系人:潘波

地址:深圳市宝安西乡航城大道航城创新创业园A3栋3楼

版权所有:深圳市永阜康科技有限公司  备案号:粤ICP备17113496号