设为主页  加入收藏
 
·I2S数字功放IC/内置DSP音频算法功放芯片  ·马达驱动IC  ·2.1声道单芯片D类功放IC  ·内置DC/DC升压模块的D类功放IC  ·锂电充电管理IC/快充IC  ·无线遥控方案  ·直流无刷电机驱动芯片
当前位置:首页->方案设计
如何选择一款功能强大、宽输入范围的电池充电器?
文章来源:永阜康科技 更新时间:2019/7/26 9:28:00
在线咨询:
给我发消息
李湘宁 2850985550
给我发消息
鄢先辉 2850985542
给我发消息
张代明 3003290139
13713728695
 

如今,人们期望电池充电器能够容易地支持多种化学组成并接受众多的电压输入,包括广泛的太阳能电池板。输入电压范围覆盖到输出电池电压以上和以下的情况越来越常见,因而需要其兼具降压和升压能力 (降压-升压拓扑)。LTC4020 降压-升压型电源管理器和多化学组成电池充电控制器能接受 4.5V 至 55V 的宽范围输入,并产生高达 55V 的输出电压。其降压-升压型 DC/DC 控制器可向电池和系统提供高于、低于或等于器件输入的电压。

充电器可容易地针对多种电池化学组成进行优化。例如:其可遵循一种恒定电流 / 恒定电压 (CV/CC) 充电算法,采用 C/10 或定时终止 (针对基于镍的电池系统);一种采用定时终止的恒定电流 (CC) 特性;或者一种优化的 4 步、3 级铅酸电池充电模式。

用于 25.2V 电池浮动电压的 6.3A 充电器

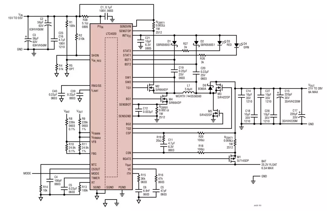
图 1 示出了一个 15V 至 55V 输入、25.2V/6.3A 降压-升压电池充电器,其具有一个高效率四开关 (M2~M5) 同步降压-升压型 DC/DC 转换器,仅需一个电感器 (L1)。专有的平均电流模式架构采用两个检测电阻器 (RCBRT1 和 RCBRB1) 来监视电感器电流。在该降压-升压型解决方案中,当 VIN高于 VOUT时,转换器在降压模式工作;当 VIN 低于 VOUT 时,转换器则工作在升压模式。当 VIN 接近 VOUT 时,转换器工作于四开关降压-升压模式。

图 1:15V 至 55V 输入、25.2V/6.3A 降压-升压型电池充电器

图 2:针对图 1 转换器的效率与负载电流 IOUT 之关系曲线 (VOUT = 25.2V)

转换器以一个可编程的恒定开关频率运作,该频率处于 50kHz 至 500kHz 的范围内,采用一个电阻来设定 (R13 = 100k,250kHz)。图 1 示出的这款解决方案能够为系统负载提供高达 8A (VOUT= 25.2V)。如图 2 所示,满负载效率 (IOUT = 8A,VIN = 24V) 可达 98% 以上。

LTC4020 采用一个从 BAT 引脚引出的外部反馈电阻分压器以通过 VFB 引脚来设置电池电压。PowerPath™ (电源通路) FET (M1) 在正常电池充电期间处于导通状态,可能的情况下会在电池与降压-升压型转换器输出之间形成一种低阻抗连接。电池充电电流通过一个检测电阻 (RCBAT1) 来监视。最大平均电池充电电流可容易地通过选择 RCBAT1 的阻值来设置。动态电流限值调整可以通过 RNG/SS 引脚实现。

利用 PowerPath FET 实现即时接通和理想二极管功能

对于一个严重放电的电池,LTC4020 能够自动地将 PowerPath FET (图 1 中的 M1) 配置为一个线性稳压器,从而允许降压-升压型转换器输出升至高于电池电压,同时仍然向电池提供充电电流。该功能被称为 PowerPath 即时接通,此时 PowerPath FET 充当一个高阻抗电流源,负责为电池提供充电电流。

当电池充电器不处于充电周期时 (即是降压-升压型转换器专为系统负载而运作),LTC4020 自动地把 PowerPath FET 配置为一个理想二极管。这允许电池在正常操作期间与转换器输出保持断接。然而,假如系统负载电流超过了降压-升压型转换器的供电能力,则可通过该理想二极管有效地从电池抽取额外的功率。 

其他特点

  • LTC4020 支持基于定时器的充电算法,一个连接在 TIMER 引脚和地之间的电容器负责设置充电周期的完结。

  • LTC4020 具有电池温度监视和控制功能。通过把一个 NTC (负温度系数) 热敏电阻连接至 NTC 引脚,并将该热敏电阻布设在电池组 (或其他需要的监视位置) 之附近,如果 NTC 引脚电压超出范围 (高于 1.35V 或低于 0.3V),则 LTC4020 将触发一个 NTC 故障并停止电池充电。

  • LTC4020 具有两个集电极开路输出 (STAT1 和 STAT2),用以报告充电器状态和故障状况,这两个引脚进行了二进制编码。

结论

LTC4020 是一款通用的高电压、高效率降压-升压型电源管理器和多化学组成电池充电器,支持输入电压高于、低于或等于输出向电池或系统供电。其扁平的 (仅高 0.75mm) 耐热性能增强型 38 引脚 5mm x 7mm QFN 封装适合于便携式工业和医疗设备、太阳能供电型系统、军用通信设备、以及 12V 至 24V 嵌入式汽车系统。

 
 
 
    您可能对以下产品感兴趣  
产品型号 功能介绍 兼容型号 封装形式 工作电压 备注
VAS5176 VAS5176 是一款8.5V-24V 输入,高度集成的开关型锂离子/聚合物电池充电管理芯片, 以高精度调节2A充电电流,和电池电压。 VAS5175A/VAS5176 ESOP-8 8.5V-24V 8.5V-24V输入2A开关降压型2节/3节4节锂电池充电管理IC
VAS5175H VAS5175H 是一款5V-24V 输入,开关降压型1节4.35V/2节8.7V锂离子/聚合物电池充电芯片, 以高精度调节2A 充电电流,和电池电压。它密切监测电池组的温度只在设置安全温度范围下允许充电,还提供电池检测、预充电调节、充电饱充和充电状态指示等功能。 VAS5175A/VAS5176 ESOP-8 5V-26V 2A开关降压型1节4.35V/2节8.7V锂电池充电管理IC
VAS5175A VAS5175A 是一款5V-24V输入,高度集成的开关型锂离子/聚合物电池充电芯片, 以高精度调节2A充电电流,和电池电压。它密切监测电池组的温度只在设置安全温度范围下允许充电,还提供电池检测、预充电调节、充电饱充和充电状态指示等功能。 VAS5175H/VAS5176 ESOP-8 5V-24V 2.0A, 1/2节锂电池开关型充电器
 
 
·蓝牙音箱的音频功放/升压/充电管
·单节锂电内置升压音频功放IC选型
·HT7179 12V升24V内置
·5V USB输入、三节锂电升压型
·网络主播声卡专用耳机放大IC-H
 
M12269 HT366 ACM8629 HT338 

业务洽谈:手机:13713728695(微信同号)   QQ:3003207580  EMAIL:panbo@szczkjgs.com   联系人:潘波

地址:深圳市宝安西乡航城大道航城创新创业园A5栋307/309

版权所有:深圳市永阜康科技有限公司  备案号:粤ICP备17113496号