设为主页  加入收藏
 
·I2S数字功放IC/内置DSP音频算法功放芯片  ·马达驱动IC  ·2.1声道单芯片D类功放IC  ·内置DC/DC升压模块的D类功放IC  ·锂电充电管理IC/快充IC  ·无线遥控方案  ·直流无刷电机驱动芯片
当前位置:首页->技术分享
音响是咋工作的?看完你就懂了
文章来源:永阜康科技 更新时间:2018/12/11 13:31:00
在线咨询:
给我发消息
李湘宁 2850985550
给我发消息
鄢先辉 2850985542
给我发消息
张代明 3003290139
13713728695
 
什么是音响
音响指除了人的语言、音乐之外的其他声响,包括自然环境的声响、动物的声音、机器工具的音响、人的动作发出的各种声音等。
 
音响大概包括功放、周边设备(包括压限器、效果器、均衡器、VCD、DVD等)、扬声器(音箱、喇叭)、调音台、麦克风、显示设备等等加起来一套。其中,音箱就是声音输出设备、喇叭、低音炮等等。一个音箱里包括高、低、中三种扬声器,三种但不一定就三个。技术的的发展历史可以分为电子管、晶体管、集成电路、场效应管四个阶段。
 
音响组成部分
音响设备大概包括功放、周边设备(包括压限器、效果器、均衡器、激励器等)、扬声器(音箱、喇叭)、调音台、声源(如麦克风、乐器、VCD、DVD)显示设备等等加起来一套。其中,音箱就是声音输出设备、喇叭、低音炮等等,一个音箱里包括高、低、中三种扬声器,三种但不一定就三个。
 
音响电路原理图
 
音箱的工作原理
要知道音箱发声的原理,我们首先需要了解声音的传播途径。声音的传播需要介质(真空不能传声);声间要靠一切气体,液体、固体作媒介传播出去,这些作为传播媒介的物质称为介质。就好比水波,你往平静的水面上抛一个石子,水面就有波浪,再由对岸传播到4周;声波也是这样形成的。声波的频率在20——20,000Hz范围内,能够被人耳听到;低于或高于这个范围,人耳都听不到。波与声波的传播方式是一样的,通过介质的传播,人耳才能听到声音。声波可以在气体、固体、液体中传播。
 
 
下面在来说说喇叭的工作原理。喇叭是把电信号转换为声信号的一种装置,它由线圈、磁铁、纸盆等组成。由放大器输出大小不等的电流(交流电)通过线圈在磁场的作用下使线圈移动,线圈连接在纸盆上带动纸盆震动,再由纸盆的震动推动空气,从而发出声音。
 
喇叭的发声原理
当喇叭接收到由音源设备输出的电信号时,电流会通过喇叭上的线圈,并产生磁场反应。而通过线圈的电流是交变电流,它的正负极是不断变化的;正极和负极相遇会相互吸引,线圈受到喇叭上磁铁的吸引向后(箱体内)运动;正极和正极相遇则相互排斥,线圈向外(箱体外)运动。这一收一扩的节奏会产生声波和气流,并发出声音,它和我们讲话的喉咙振动是同样的效果。
 
频率响应曲线SPLvsFreq
人耳所能听到的频率范围为20Hz─20KHz,(《20hz称为次声,》20KHz称为超声)图标纵坐标─表示声压级,单位是dB。图标横坐标─表示频率,单位是Hz。
 
 
上图为低音单体频响曲线,右侧为高音单体,包含左右的是音箱。从频响曲线可以知道几个重要参数:
 
特性灵敏度(SPL):以一瓦电功率,在一米距离处所测得的声压,并由频响曲线取四个点所得平均值即为平均音压。
 
有效频率范围(F0~20KHz):可由SPL-10dB,这样一条直线与曲线相交两点,这两点之间就是有效频率范围。如上图音箱的有效频率范围是45Hz─20KHz,低音单体有效频率范围是40Hz─3KHz,高音单体有效频率范围则是1800Hz─20KHz。频响曲线越平直越好,带宽则越宽越好。
 
从阻抗曲线可以知道几个重要参数:
 
阻抗值(Ohm):
 
图示波峰过后最低点对应纵坐标即为阻抗值。
 
最低共振周波数(F0):
 
单体喇叭(单峰)─以阻抗曲线波峰对应横坐标的点即为F0。音箱喇叭(双峰)─以阻抗曲线第一波峰与第二波峰间的波谷对应横坐标的点即为Fb,第一波峰为导音管F0,第二波峰则为单体F0。音箱喇叭+高音单体(三峰)─仍以阻抗曲线波峰与波峰间的波谷对应横坐标的点即为Fb,第三波峰即为高音单体的F0。
 
1.直流阻抗(Ohm):
 
以静态扬声器来测其阻抗,所以求的的结果是直流阻抗,就是音圈上所绕的铜线总长的阻抗值。直流阻抗不受频率的影响。
 
2.交流阻抗(Ohm):
 
在动态的扬声器,即通电以后所求得的交流阻抗值。
 
(通常对音圈的公差要求是±15%。)
 
3.标准输入功率(W):就是扬声器的额定承受功率,为保证值。
 
4.最大输入功率(W):指扬声器的最大承受功率,仅承受1秒内峰值电压,非保证值。
 
5.出力音压,又称灵敏度(dB):
灵敏度也叫特性灵敏度,一般规定为扬声器放在消声室隔板上输入端加上相当于在额定阻抗上一瓦电功率的信号电压时,在参考轴上离参考点一米处产生的音压时,用分贝“(dB)”单位表示特性灵敏度。扬声器灵敏度高低与扬声器振动系统的性能及气隙中磁感应强度的大小有较大关系。
 
6、极性:
 
在扬声器的输入端加上脉冲直流信号,如果振摸向前推动,则与直流电压正端相接的为喇叭的正极,反之为负极,如果接反,则喇叭振动的相位将不正确。
 
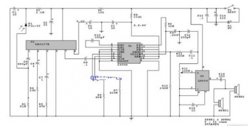
音响遥控电路图
接收和主控电路原理如图2所示。IC2为风扇电路芯片。本文将其工作原理介绍如下。
 
 
1.手控/遥控:按图1中的遥控键实现手控/遥控,方便使用。
 
2.音源选择:按开/选择键,IC2第13脚先输出低电平,使红色LED6点亮作电源接通显示,并使V4导通,K1得电吸合,将功放电源接通。3秒后第13脚恢复为高电平,第14脚转为低电平,使绿色LED7点亮作音源1接通显示,V5导通,使K2、K3得电吸合,接通图2(a)中的音源1信号和电源。因VD2作用,V4仍导通,使K1吸合接通功放电源。同时经VD8也使K4得电吸合接通扬声器。
 
 
若要使用音源2,则需再按一下开/选择键,IC2第14脚又恢复为高电平而第12脚则为低电平。蓝色LED5点亮作音源2显示,并使V3导通,K5得电吸合接通音源2电源,再经VD9使K4吸合接通扬声器。此时K2释放接通音源2的信号,K3释放断开音源1的电源。
 
想要静音只需按开/选择键,使红色LED6常亮即可。
 
因BA8206具有记忆功能,下次开机时会自动恢复上次关机前的工作状态。如在关机前是听音源2,则下次开机先由第13脚为低电平,3秒后第12脚转为低电平接通音源2,方便使用而不必每次开机都重新选择音源。
 
3.音量遥控:图2b中IC2第20、11脚为独立的两个双稳态输出端,调音量大小时如按一下音量+键,IC2第20脚输出低电平,使V8、VD3截止,LED8点亮作显示,并使V6导通。电源V+经V6、音量电机M和V9到电源V-,实现音量增加。如按一下音量-键,则IC2第11脚为低电平,使V9、VD4截止,LED9点亮作显示,并使V7导通。电源V+经V7、音量电机和V8到电源V-。使电机反转达到音量减小目的。
 
 
以上调音量大小到合适时。需再按一下音量+或-键,使第20或第11脚恢复为高电平即可。平时V8、V9和VD3、VD4均导通,因V6、V7截止,所以音量电机无电流通过而停转。
 
4.延时关机:在开机后按定时键可使延时关机时间从0.5-7.5小时累加,LED1~LED4作相应显示。延时过程中LED1~LED4会作相应递减显示,结束时全部熄灭,非常直观。该功能很适合夜晚使用。
 
5开关机场声器保护:每次开机总是IC2第13脚先输出低电平接通功放电源,3秒后再接通所选择的音源1或2,并使K4吸合接通扬声器,避免了开机时对扬声器的电流冲击。关机时第12、13、14脚同时为高电平,但因VD1或VD2的作用,C2充电为低电平,使V4仍导通,使功放电源接通,此时音源1或2及扬声器已断开,同样避免了关机时对扬声器的电流冲击。按图中C2的容值,3秒钟后才使V4截止而关断功放电源。
 
保护电路:从功放输出中点引出经R1、R2和R3分压后,无论功放中点正偏或负偏达到2V时,V1或V2就导通,将IC2第③脚对地实现关机保护目的。
 
6.声光显示:图中各种控制功能均有相应的LED显示。上面已介绍。同时,HTD均会鸣叫一声,很直观。
 
图2b中的IC1为红外接收头,图1中的LED作按键遥控发射显示。各种颜色LED均选中3mm高亮度发光管。
 
 
 
    您可能对以下产品感兴趣  
产品型号 功能介绍 兼容型号 封装形式 工作电压 备注
HT878 2X8.5W/2.7V-5.5V(内置自适应升压模块)/4Ω TSSOP-24 2.5V-5.5V 可任意限幅、单节锂电池内置升压的8W双声道音频功放IC
CS8389 PO at 10% THD+N, VIN = 4.2V ,2X4.8W(BOOST升压值为6.2V) CS8390 ESOP-16 2.7V-5.5V 固定20倍增益,4种防破音可选,AB/D切换功能,2X4.8W输出功率,立体声音频功率放大器
HT8310 5.2W/2.8V-5.5V(内置电荷泵无电感升压模块)/4Ω QFN-16/ESOP-16 2.7V-5.5V 高效率电荷泵自适应升压和防破音功能的5.2W D/AB切换单声道音频功率放大器
HT876 2X10.9W/8.5V/4Ω或18W/8.4V/2Ω TSSOP-20 2.5V-9.8V 带任意限幅的高保真D类/AB类切换10W立体声功放IC,适用于两节锂电池串联8.4V供电的音频产品
HT560 2X40W/18V/4Ω或75W/24V/4Ω QFN-36 4.5V-26V 30W立体声D类I2S输入音频功放
HT7178 输入电压范围:2.7V -14 V;输出电压范围:4.5V-20V ;可编程峰值电流: 14A TPS61088/HT7167 DFN-20 2.7V-14V 20V 14A带输出关断的全集成同步升压IC
HT317 2X42W/18V/4Ω或75W/24V/4Ω TSSOP-28 5V-26V 42W立体声/75W单声道D类功放IC,,工作电压5-26V,极限耐压32V!
 
 
·蓝牙音箱的音频功放/升压/充电管
·单节锂电内置升压音频功放IC选型
·HT7179 12V升24V内置
·5V USB输入、三节锂电升压型
·网络主播声卡专用耳机放大IC-H
 
M12269 HT366 ACM8629 HT338 

业务洽谈:手机:13713728695(微信同号)   QQ:3003207580  EMAIL:panbo@szczkjgs.com   联系人:潘波

地址:深圳市宝安西乡航城大道航城创新创业园A5栋307/309

版权所有:深圳市永阜康科技有限公司  备案号:粤ICP备17113496号